世界衛生組織(WHO)將沸點范圍在50~ 260 ℃,室溫下飽和蒸氣壓超過133.32Pa,常溫下以蒸氣形式存在于空氣中的一大類有機化合物定義為揮發性有機化合物VOC,其主要成分為烴類、鹵代烴、氮烴、含氧烴、 硫烴及低 沸點的多 環芳烴等。
VOC污染物質作為污水處理廠、制藥廠等場所的主要污染氣體和有機合成工業、石油化學工業的主要污染物質正受到普遍關注。VOC中的許多物質對人體和各種感官有刺激作用,且具有一定的毒性,有些會產生致癌、致畸、致突變的 “三致”效應,對環境安全和人類生存產生極大的危害。

為了限制VOC的排放,世界各國頒布了法令,制定了廢氣排放標準。美國通過的《清潔空氣修正案》列出了189種被認為是對人體健康有害的化合物,其中大部分為VOC類物質;1996年日本立法限制53種VOC的排放,2002年限制了149種VOC的排放;1996年我國國家環保局批準發布了大氣污染物綜合排放標準 (GB16297-1996), 規定了以有害空氣污染物為主的33種污染物的額定排放限值,包括甲苯、苯、三氯乙烯等揮發性有機化合物。
VOC主要來源于以煤、石油、天然氣為燃料或原料的工業以及其他相關的化學工業。
(1)石油開采與加工、煉焦與煤焦油加工、煤礦、木材干餾、天然氣開采與利用;
(2)化工生產,包括石油化工、燃料、涂料、 醫藥、農藥、炸藥、有機合成、溶劑、試劑、洗滌劑、黏合劑等的生產;
(3)各類內燃機;
(4)燃煤、燃油、燃氣鍋爐與工業爐;
(5)油漆、涂料的噴涂作業,使用含有有機黏合劑的作業;
(6)各種有機物的燃料及其加熱裝置、運輸裝置及儲運裝置;
(7)食品、油脂、皮革、毛的加工;
(8)肥料池、沼氣池、發酵池及垃圾處理站。
VOC的種類很多,根據其結構主要分為芳香類碳氫化合 物 (苯、甲苯、二甲苯、苯乙烯等), 脂肪類碳氫化合物 (丁烷、正丁烷、汽油等),鹵代烴 (四氯化碳、氯仿、氯乙烯、氟利昂等),醇、 醛、酮、多元醇類化合物 (甲醇、丙醇、異丁醇、 甲醛、乙醛、丙酮、環己酮等),醚、酚、環氧類化合物 (乙醚、甲酚、苯酚、環氧乙烷、環氧丙烷等)、酯、酸類化合物 (乙酸乙酯、乙酸丁酯等)、 胺、腈類化合物 (二甲基甲酰胺、丙烯腈等)及其他 (甲基溴、氟氯碳化合物等)等8類。
VOC是除顆粒物以外的第2大分布廣泛和種類繁多的排放物,其危害根據種類的不同也有所差別。其危害主要表現在以下幾個方面。
乙烯、丙烯等脂肪烴類VOC物質,是石化工業的基本單體,在工廠使用非常普遍。這些化合物在一般狀況下毒性較低,在較高劑量濃度下才會對人體產生傷害,但是由于屬于易燃、易爆類化合物,會給企業生產造成較大火災隱患。近年來由于VOC造成的火災和爆炸時有發生。
VOC對人體有很多直接的危害,對人體的影響主要為氣味、感官、黏膜刺激和其他系統毒性導致的病態及基因毒性和致癌性。大多數VOC帶有惡臭等刺激性氣味,當在環境中達到一定濃度時, 短時間內可使人感到頭痛、惡心、嘔吐,嚴重時會抽搐、昏迷,并可能造成記憶力衰退,傷害人的肝臟、腎臟、大腦和神經系統。部分VOC已被列為致癌物,特別是苯、甲苯及甲醛,會對人體造成很大的傷害。苯類化合物會損害人的中樞神經,造成神經系統障礙,也會危及血液和造血器官,嚴重時,會有出血癥狀或感染敗血癥。鹵代烴物質能引起神經衰弱征候群及血小板減少、肝功能下降、肝脾腫大等病變,還可能導致癌癥。
VOC是O3和PM 2.5的重要前體物,能造成光化學煙霧、O3濃度升高、霧霾天氣次數增加等環境問題,間接地影響人體健康。
VOC在陽光照射 下與大氣 中的氮氧 化合物、 碳氫化合物等發生光化學反應,產生高度活性的自由基,生成臭氧、過氧硝基酰、醛類等光 化學煙霧,造成二次污染,危害人的身體健康。研究表明,O3在濃度低時可用于凈化水體、除臭、殺菌、 去除殘留農藥等。如果空氣中O3濃度的增加,首先會破壞人們皮膚中的維生素E,進入呼吸道后會刺激人體呼吸系統,造成神經系統中毒,嚴重時還會破壞人體的免疫系統,如長期生活在這種環境中 (幾天或幾星期),會對人造成生命危險。同時會危害農作物的生長,甚至導致農作物的死亡。因此, O3早已列為影響全球環境空氣質量標準的重要污染物[6]。美國洛杉磯、日本東京、我國北京市燕山地區和蘭州市西固區等都曾出現過光化學污染。
VOC還會在特定條件下和大氣中的顆粒物形成二次有機氣 溶膠 (SOA),SOA中含有多 種致癌、致畸和致突變性的有機化合物,如多環芳烴、 多氯聯苯和其他含氯有機化合物。SOA還影響大氣能見度,是產生大氣光化學煙霧、酸沉降的重要因素, 并可通過 長距離傳 輸影響區 域和全球 環境。
目前,VOC對環境和人體造成了很大的危害, 如何妥善回收與處理VOC已成為人們研究的焦點問題之一。
VOC的回收技術主要有冷凝法、吸附法、吸收法和膜分離法。根據VOC的物理和化學性質, 選擇不同的回 收方法或 幾種方法 的組合來 回收VOC中的有機化 合物,不僅可以 減輕環境 污染, 還會取得一定的經濟效益。
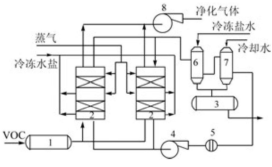
冷凝法是最簡單的回收VOC的方法,它是利用物質在不同溫度下具有不同飽和蒸氣壓這一性質,將VOC通過冷凝 器降低到 有機物的 沸點以下,使有機物冷凝成液滴,再靠重力作用落到凝結區下部的貯罐中,從而分離出來,裝置如圖1。通常使用的冷卻介質主要有冷水、冷凍鹽水和液氨。 該技術對于高濃度 (百分之幾)、較高沸點、須回收的VOC具有較好的經濟效益。
圖1 冷凝法裝置圖
該方法所需設備和操作條件都比較簡單,所回收的VOC的純度比較高,其回收率與VOC初始濃度、沸點有關,VOC的初始濃度越大、沸點越高,回收率越高,但要獲得較高的回收率需采用較低溫度的冷凝介質或采用較高的壓力。所以在實際應用中,冷凝法常與壓縮、吸附、吸收等過程聯合使用,以吸收或吸附手段濃縮VOC、以冷凝法回收該有機物,達到經濟且回收率較高的目的。圖2為冷凝法與吸附法聯合回收VOC工藝流程圖。
圖2 冷凝-吸附法回收 VOC工藝流程圖
(1-氣體緩沖罐;2-吸附床;3-回收液儲槽; 4-循環風機;5-阻火器;6-冷凝器; 7-預冷卻器;8-排氣風機)
吸附法已廣泛應用于凈化室內空氣、大氣污染治理、石油化工等領域VOC的回收處理。它分為固定床吸附法、流動床吸附法和濃縮輪吸附法。其原理是利用具有密集的細孔結構、內表面積比較大的粒狀活性炭、炭纖維、硅膠、人工沸石等吸附劑的多孔結構,將VOC組分吸附在固體表面,利用吸附劑不斷吸附、脫附的循環,達到凈化回收目的。研究表明,活性炭吸附VOC性能最佳。吸附劑吸附VOC的效果除與吸附劑本身性質有關外還與VOC的種類、濃度、性質以及吸附系統的溫度、壓力有關,一般來說吸附劑對VOC的吸附能力隨氣體分子量的增加而增加,低分壓的氣體比高分壓氣體更易吸附。
吸附法適用于 中低濃度、 高通量VOC的回收,它具有去除效率高、凈化徹底、能耗低、工藝成熟、易于推廣實用等優點,表現出良好的環境和經濟效益。缺點是吸附劑的容量小,需要的吸附劑量大,設備龐大;吸附后的吸附劑不僅需要定期再生處理和更換,而且在此過程中,VOC有散逸的風險;由于全過程的復雜性,費用相對較高。
吸收法是根據有機物相似相溶的原理,采用低揮發或不揮發溶劑對VOC進行吸收,再利用VOC分子和吸收劑物理性質的差異進行分離的一種方法。通常使用的吸收劑是高沸點、低蒸氣壓的油類物質,吸收過程是在裝有填料的吸收塔中完成的, 其吸收效果主要取決于吸收劑的吸收性能和吸收設備的結構特征。
該方法適用于 大氣量、 中等濃度VOC的處理,可用于回收有用成分,但吸收劑難以選取,吸收的范圍有限,而且吸收后的吸收溶液需進一步處理,有可能造成二次污染,費用也較高。
膜分離法是在海水淡化研究中發現的一種新的高效分離方法,它與傳統的冷凝法、吸附法和吸收法相比,具有流程簡單,回收率高,能耗低,無二次污染等優點,是一種非常有應用前景的分離方法。該方法適用于中高濃度VOC (含量高于1× 10)的分離與回收。目前采用膜分離法可以回收脂肪和芳 香族碳氫 化合物、 含氯溶劑、 酮、 醛、 腈、醇、胺、酸等大部分VOC,且隨著高效分離膜的開發和價格的降低,膜技術的應用會越來越廣泛。
膜分離法是采用對有機化合物具有選擇性滲透的高分子膜,在一定壓力下使VOC滲透而達到分離的目的。一般采用中空纖維膜或板式膜。圖3為膜分離流程原理圖,它分3步完成,首先將VOC和空氣混合物壓縮,再將壓縮的混合氣流輸入冷凝器中冷卻,然后進行膜蒸氣分離。當VOC氣體進入膜分離系統后,膜選擇性地讓VOC氣體通過而被富集,脫除了VOC的氣體留在未滲透側,可以達標排放;富集的VOC氣體可去冷凝回收系統進行有機溶劑的回收。
圖3 膜分離流程原理圖
對于成分復雜、高濃度的VOC,現在應用較多的方法是燃燒法,它是通過化學反應,將VOC中的有機物轉變為CO2和H2O。
目前實際使用的燃燒方式主要有直接燃燒和催化燃燒,其過程復雜并且可能包括一系列分解、聚合及自由基反應。直接燃燒也稱為直接火焰燃燒, 它是把VOC中可燃的有機物組分當作燃料在氣流中直接燃燒,溫度一般在1100 ℃左右。因此,該方法只適用于凈化有機物組分燃燒時熱值較高的VOC,因為只有燃燒時放出的熱量能夠補償散向環境中的熱量時,才能保持燃燒區的溫度,維持燃燒的持續。催化燃燒是以Pt、Pd、CuO、NiO等作為催化劑,在較低的溫度下 (150~600 ℃)使VOC中的有機 物可燃組 分氧化分 解成CO2和H2O。催化劑的存在使有機物在燃燒時比直接燃燒法需要更 少的保留 時間和更 低的溫度。 但由于VOC中含有較多 雜質,很容易引 起催化劑 中毒, 且催化劑常只針對特定類型的化合物,因此催化燃燒的廣泛應用在一定程度上受到了限制,也易造成二次污染。
燃燒法具有效率高、處理徹底、消除惡臭、污染小等優點,但由于VOC燃燒氧化的最終產物是CO2、H2O等,因而使用這種方法 不能回收 到有用的物質,且使用催化燃燒時所 用催化劑成本很高,費用大大提高。
20世紀70年代,人們就開始了低溫等離子體凈化VOC的研究,目前有些已進入應用階段,但大多數尚處于研究開發階段。多年來的研究結果表明,等離子體凈化技術是一種效率高、能耗低、適用范圍廣的污染物凈化技術。它是利用高能電子射線激活、電離、裂解VOC中各組分,從而發生氧化等一系列復雜化學反應,將有害物轉化為無害物或有用的副產物的一種處理技術。目前應用的主要有電子束輻照和氣體放電2類。
電子束輻照法處理VOC的實驗研究 始于20世紀90年代,主要集中 在危害較 嚴重的3大類VOC:氯代烴、 苯系物和 多環芳烴 類。 其降解VOC的原理是利用電子加速器 (圖4) 產生高速的電子脈沖,由于電子束具有較高的能量,在其作用下VOC受到激發,產生原子間鍵的斷裂,形成小碎片基團和原子,電場激發的各種活性粒子與有機物分子和小碎片基團發生一系列的自由基反應, 最終把有機物降解為CO2、CO和H2O,從而達到治理的目 的。 研究表明, 隨著吸收 劑量增加, VOC脫除率提高,VOC初始濃度增大,脫除率降低,水、氧氣、氯代烴或氨的注入有助于VOC脫除率的提高。分解過程中無廢液、廢渣產生,而且由于電子和活性粒子與有機物的反應時間短,可以實現大流量連續操作,顯現出良好的技術優勢。
圖4 電子加速器示意圖
電子束輻照處 理低濃度VOC,具有效率 高、 能耗低、使用范圍廣、處理量大、操作簡單 等優點,是新近發展起來的比較有前途的處理低濃度VOC的方法之一。這種方法的缺點主要有:對于芳香烴類VOC,例如某些 苯系物和 多環芳烴 等, 處理效果還不是很理想,要達到較高的脫除率需要很高的劑量 以及產物 中可能仍 含有毒有 害有機物等。
氣體放電產生等離子體主要分為以下幾種形式:輝光放電、電暈放電、介質阻擋放電、頻射放電、微波放電,而研究較為活躍的是脈沖電暈放電產生等離子體[11]。該法的等離子體產生機理與電子束輻照法基本一致,它是在2個不均勻的電極之間疊加一個脈沖電壓,由于脈沖電壓的上升前沿極陡,峰寬較窄 (納秒級),在極短的脈沖時間內, 在電暈極周圍發生激烈、高頻率的脈沖電暈放電, 產生大量的高能電子和O、OH等活性粒子,對有害物質進行氧化、降解,最終將其轉化為無害物。 與電子束輻照法相比,該法避免了電子加速器的使用,也無須輻射屏蔽,增強了技術的安全性和實用性。但對脈沖電暈放電法處理VOC的研究,目前大多停留在實驗室階段,一般的處理試驗裝置和工藝流程如圖5所示。
圖5 脈沖電暈放電法處理 VOC工藝流程圖
1-空氣鋼瓶;2-干燥瓶;3、5-調節閥;4、6-流量計; 7-恒溫槽;8-VOC;9-緩沖瓶;10、12-采樣口; 11-電暈放電反應器;13-高壓脈沖電源)
國內外的研 究表明,脈沖電暈 放電法治 理VOC是一種很有前途的方法,與常規技術相比具有工藝簡單、能耗低、流程短、可操作性 好的特點,特別是在節能方面有很大的潛力,應用范圍也比較廣泛,但由于它的反應過程復雜,受到許多外在因素的影響,放電過程中有可 能會產生聚合反應,生成聚合物,并會生成 少量不完 全產物CO等,因此需要進一步研究完善。
近年來,光催化降解技術去除低濃度VOC已接近商業化使用階段。研究結果表明,許多VOC均可在常溫常壓下光催化分解,包括脂肪烴、醇、 醛、鹵代烴、芳烴及雜原子有機物等,因此,該技術有著較 高的開發 價值和廣 闊的應用, 己成為VOC處理技術中一個活躍的研究方向。
光催化降解VOC的基本原理是在特定波長光照射下,光催化劑 被活化,使H2O生成 -OH, 然后 -OH將VOC氧化成CO2、H2O和無機物 質。由于氣相中具有較高的分子擴散和質量傳遞速率及較易進行的鏈反應,光催化劑對一些氣相反應的光效率接近甚至超過水相反應。日本的田中啟一和山口伸一郎等對利用紫外線光分解氣態有機物作了研究,結果表明,在氣體情況下,有機氯化物和氟氯碳在185nm紫外光照射下,進行氣相光解,2種物質都能在極短的時間內分解,而且有機鹵化物的分解速度大于氟氯碳;三氯乙烯幾秒鐘內即能分解成最終產物CO2、Cl2、F2及光氣等; 光分解產生的醋酸等中間產物可通過堿液處理或延長滯留時間等手段最終去除。
光分解VOC主要有2種形式:一種是直接光照,在波長合適時,VOC分解;另一種是催化劑存在下,光照氣態VOC使之分解。常用的金屬氧化物光催 化劑有:Fe2O3、 WO3、Cr2O3、ZnO、 ZrO、TiO2等。由于TiO2的化學性質穩定、催化活性高且無毒價廉、貨源充足,成為目前試驗研究中最常用的光催化劑之一。
光催化降解技 術主要適 用于低濃 度 (小于1000ppm)、氣量小的VOC的處理。其優點是反應過程快速高效、能耗低、無二次污染,但仍存在一些缺陷,如光催化反應量子產率比較低,催化劑對激發源特征波長要求苛刻,且當污染物濃度高時,需要很大的催化面積而使得其與其他方法相比變得不經濟。
微生物凈化法是近年來發展起來的分解VOC的一種方法,該技術已在德國、荷蘭得到規模化應用,有機物去除率大都在90%以上。該方法凈化VOC過程的實 質是附著 在濾料介 質中的微 生物,在適宜的環境條件下,利用VOC作為炭源和能源,維持其生命活動,并將有機物轉化為簡單的無機物 (CO2、H2O)或細胞組成物質的過程。微生物凈化法處理VOC一般要經歷3個步驟: (1) VOC同水接觸并溶解于水中 (即由氣膜擴散進入液膜); (2)溶解于液膜中的VOC在濃度差的推動下進一步擴散到生物膜,進而被其中的微生物捕獲并吸收;(3)進入微生物體內的VOC在其自身的代謝過程中作為能源和營養物質被分解,經生物化學反應最終轉化成為無害的化合物。
根據微生物在VOC處理過程中存在 的形式, 可將處理方法分為生物洗滌法 (懸浮態)和生物過濾法 (固著態)。生物洗滌法即微生物及其營養物配料存在于液相中,氣相中的有機物通過與懸浮液接觸后轉移到液相,從而被微生物降解,其典型形式有鼓泡塔、噴淋塔及穿孔塔等生物洗滌塔。生物過濾法是微生物附著生長于固體介質 (填料) 表面,VOC通過由固體介質構成的固定塔層 (填料層)時,被吸附、吸收,最終被微生物降解。其典型的形式有土壤、堆肥、填料等材料構成的生物過濾塔。 生物滴濾 塔則同時 有懸浮態 和固著態 的特性。
微生物凈化法一般用于處理低濃度VOC。其主要優點是流程和設備較簡單,一般不消耗有用原材料,運行能耗和費用較低、安全可靠、較少形成二次污染。但由于生化反應速率較低,使設備體積較大,且有壓力損失,對溫度和濕度變化敏感。隨著膜技術的發展,微生物降解法又有了新的發展方向———膜生物法,它聯合了膜技術與生物技術的優點,不同于傳統的微生物法,成為極具前景的新方向。表1表明了以上處理技術的優劣。
表1 幾種 VOC處理方法的優劣比較
可見,常用的處理方法中,微生物處理法具有投資費用省、運行費用低、維護管理方便、沒有二次污染等優點,成為今后治理VOC惡臭污染物質的清潔型生物方法,值得大力提倡。
VOC的種類繁多,所涉及到的污染行業、工藝過程眾多,污染氣體的排放情況差異很大,以上性質決定了單一的治理技術不可能滿足所有排放廢氣的治理要求。王海林等總結出了不同的行業, 采取不同的治理技術,如有機溶劑生產企業可以用吸附法,污水、堆肥等處理采用生物凈化,橡膠生產行業可采用燃燒法。
隨著工業的飛速發展和城市化進程的加快,公眾對生活環 境、工作環境 質量的要 求越來越 高, VOC由于其高危害性也越來越受到重視,根據其物理和化學性質,選擇不同方法來處理,不僅可以減輕環境污染,還會取得一定的經濟效益。因此, VOC的回收與處理技術將日趨活躍,應用前景非常廣闊。
中國對VOC的治理與管理相對較弱,但隨著大氣污染的日益嚴重和國家管理力度的加大,對VOC排放的限制也日益嚴格。環保部在2013年發布 《揮發性有機物 (VOCs)污染防治技術政策》, 在2014年出版了重點行業VOCs控制技術指南, 主要涉及源頭削減技術、工藝過程控制技術、末端治理技術等細分領域。隨著環保法規的逐步健全, 建立完善的控制管理辦法,廠家采取相關的控制措施,會有效降低大氣中的VOC濃度,對提高人們的健康水平有深遠的意義。(資料來源:中國知網。)
相關推薦:voc檢測儀
備案號:蘇ICP備09077621號
©2009-2023 無錫點創科技有限公司版權所有
